Coimbatore
08048030484
+919360318362

ANTI VIBRATION BORING BAR @ INDRA ENGINEERING SERVICES

update image
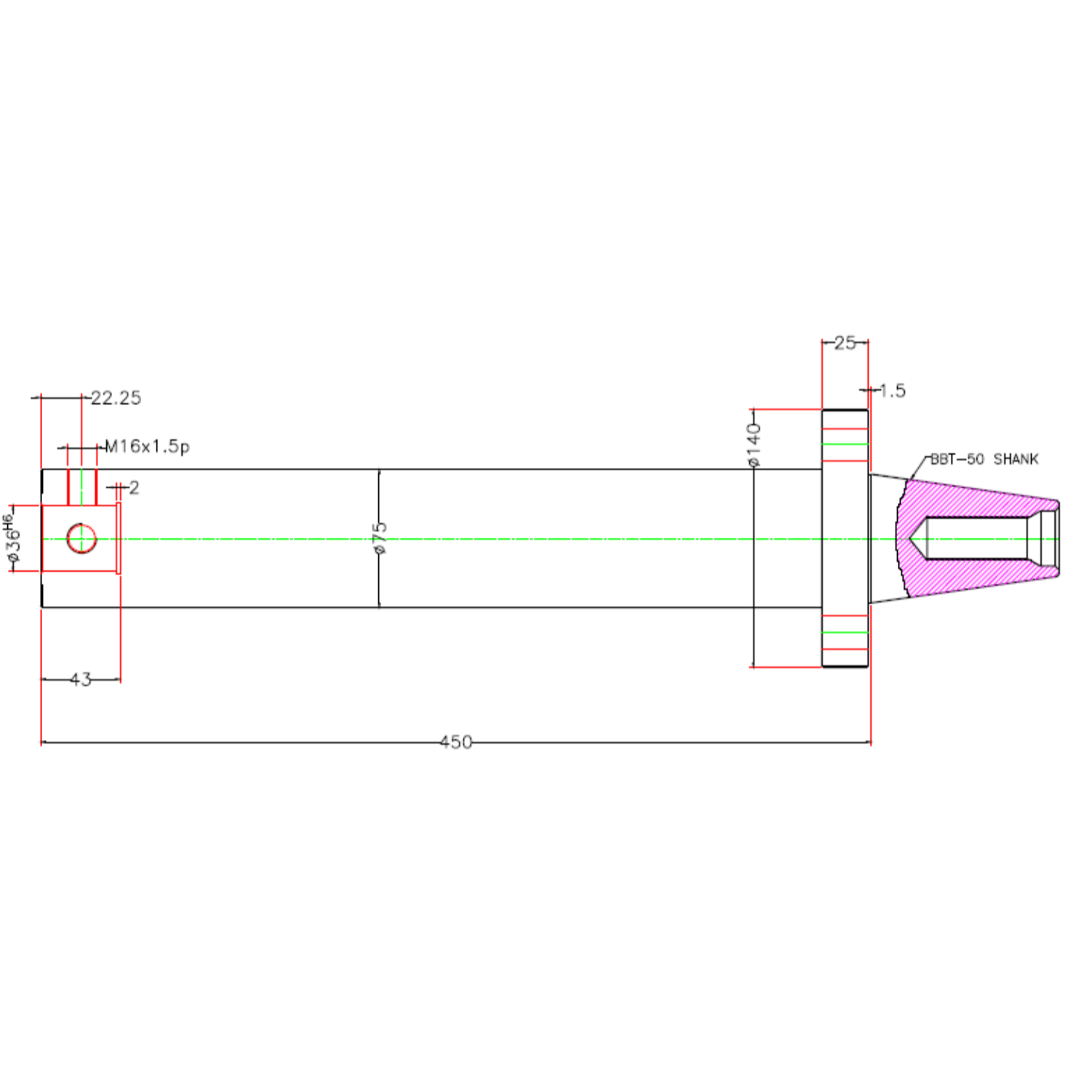
# Engineering Excellence: When Others Said No, We Said Yes ## Custom Horizontal Machining Centre Tool - A Manufacturing Challenge Conquered At Indra Engineering Services, we don't just manufacture tools – we solve complex engineering puzzles that others won't even attempt. Our latest success story perfectly exemplifies our commitment to taking on the impossible and delivering results. ### The Challenge When our client approached us with specifications for a specialized tool for horizontal machining centre operations, the requirements were daunting: - **GPL 450mm length** with precision tolerances and demanded Anti Vibration Properties - **Face lock mount configuration** for secure positioning - Complex geometric requirements that had already been **rejected by multiple manufacturers** The tool's intricate design and demanding specifications had earned it a reputation as 'too difficult to manufacture' across the industry. Where others saw insurmountable challenges, we saw an opportunity to showcase our engineering capabilities. ### Why Others Declined This wasn't just another standard tool request. The complexity involved: - Precise dimensional accuracy across a 450mm length - Specialized face lock mounting system integration - Critical geometric features requiring advanced machining techniques - Tight tolerances and Anti Vibration that demanded exceptional process control Multiple manufacturers had evaluated this project and declined, citing technical difficulties and manufacturing risks. ### Our Approach: Calculated Risk, Proven Results While others walked away, **Indra Engineering Services took the calculated risk**. Our decision was based on: - **Advanced Manufacturing Capabilities**: Our horizontal machining centres and precision equipment were up to the challenge - **Engineering Expertise**: Our team's deep understanding of complex tool geometries and manufacturing processes - **Quality Systems**: Robust quality control measures to ensure dimensional accuracy - **Innovation Mindset**: Our willingness to push boundaries and develop new solutions ### The Success Story **We not only accepted the challenge – we succeeded brilliantly.** The completed tool meets all specifications and performs flawlessly in the horizontal machining centre application. This success demonstrates: - Our ability to manufacture what others consider 'impossible' - Superior engineering problem-solving capabilities - Commitment to customer success, even in high-risk projects - Advanced manufacturing expertise that sets us apart from competitors ### What This Means for Our Clients This project reinforces why discerning customers choose Indra Engineering Services: - **No Project Too Complex**: We evaluate each challenge on its merits, not its difficulty - **Risk Management**: We take calculated risks backed by engineering expertise - **Custom Solutions**: Every tool is tailored to exact specifications - **Proven Results**: Our track record speaks for successful project completion ### Looking Forward This custom horizontal machining centre tool represents more than just another manufacturing success – it's proof of our engineering philosophy: **'Where precision meets possibility.'** When your project demands the impossible, trust the team that has already proven it's possible. --- *Contact Indra Engineering Services today to discuss your custom tool requirements. Let us show you why we're the manufacturing partner others recommend when standard solutions won't suffice.*
 2025-08-07T13:01:34

Related Posts

update image

Ribbon Blending Machine

2025-11-28T12:17:08 , update date

 2025-11-28T12:17:08
update image

Solid Carbide End Mills RHINO 🦏 @ Indra Engineering Services

2025-11-18T19:05:43 , update date

 2025-11-18T19:05:43
update image

Bilz WFLK Side Lock Tapping Chuck

2025-11-15T09:07:21 , update date

 2025-11-15T09:07:21
update image

Bilz ISG 1000 – Induction Shrink-Fit Machine @ Indra Engineering Services

2025-11-12T14:47:48 , update date

 2025-11-12T14:47:48